ARCHIBUS Smart Client
ARCHIBUS Web Central

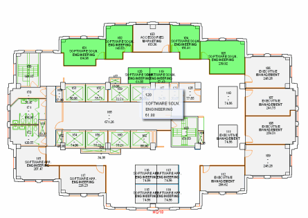
Highlighted Drawing (Concept)

A highlighted drawing shows the drawing highlighted using a restriction you set. It highlights a single value. For example, the drawing below highlights the rooms that are assigned to the Engineering Department.

DWG drawing with highlighted rooms